1970-1971 BLMC Mini Vraagbaak – P.H. Olving | ISBN 9020105973
Deze uitgebreide vraagbaak is een essentiële handleiding voor eigenaren, liefhebbers en monteurs van de BLMC Mini-modellen uit de periode 1970-1971. Het boek biedt gedetailleerde technische informatie, praktische onderhoudsinstructies en stapsgewijze reparatiehandleidingen. Dankzij de heldere uitleg en overzichtelijke schema’s helpt deze gids zowel professionals als doe-het-zelvers om hun Mini in optimale staat te houden.
Geschikt voor de volgende modellen:
- Mini 850
- Mini 1000
- Mini Cooper
- Mini S
- Mini MK II
- Mini Clubman
- Mini Clubman Estate
- Mini 1275 GT
Wat kun je verwachten van deze vraagbaak?
Deze vraagbaak biedt diepgaande kennis en praktische tips over alle belangrijke technische aspecten van de BLMC Mini. De volgende onderwerpen komen uitgebreid aan bod:
✅ Motor en brandstofsysteem – Onderhoud, afstellingen en probleemoplossing voor carburateurs, ontsteking en koeling.
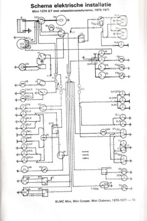
✅ Elektrisch systeem – Bedradingsschema’s, verlichting, startmotor, dynamo en accuaansluitingen.
✅ Transmissie en koppeling – Instructies voor demontage, onderhoud en afstellingen.
✅ Ophanging, besturing en remmen – Uitleg over onderhoud en afstelling van de vering, stuurinrichting en remsystemen.
✅ Carrosserie en interieur – Onderhoudstips en reparatie-instructies voor plaatwerk, lak en bekleding.
Waarom deze vraagbaak?
- Duidelijke en stapsgewijze uitleg met technische tekeningen en schema’s.
- Praktische tips voor het oplossen van veelvoorkomende problemen.
- Geschikt voor zowel ervaren monteurs als doe-het-zelvers.
- Originele specificaties en onderhoudsrichtlijnen direct van de fabrikant.
Uitgavegegevens:
📖 ISBN: 9020105973
📖 Eerste druk
📖 Aantal pagina’s: 92
Of je nu een klassieke Mini restaureert of je auto zelf wilt onderhouden, deze vraagbaak is een onmisbare bron van informatie en een waardevolle aanvulling op de gereedschapskist van elke Mini-liefhebber! 🚗💨
BLMC staat voor British Leyland Motor Corporation. Het was een Britse autofabrikant die werd opgericht in 1968 uit de fusie van verschillende Britse autobedrijven, waaronder Leyland Motors en British Motor Corporation (BMC). British Leyland was de eigenaar van iconische automerken zoals Austin, Morris, MG, en Jaguar. De onderneming had echter te maken met verschillende financiële en organisatorische problemen en werd uiteindelijk in de jaren ’80 gesplitst.







